Looking For Anything Specific?

Mtd Riding Mower Belt Diagram / Mtd riding mowers give you the power to care for your yard easily and efficiently.

Mtd Riding Mower Belt Diagram / Mtd riding mowers give you the power to care for your yard easily and efficiently.. How to change a riding lawn mower deck belt. You may be a technician who wants to seek references or solve existing issues. Briggs and stratton mtd yardmachine wiring diagram. Belt diagram, mtd belt diagram, bolens belt diagram, wizard belt diagram, ranch king belt diagram, www.officialharleyparts.com/ridingmower.php. Level surface and set the parking brake firmly.

Belt diagram, mtd belt diagram, bolens belt diagram, wizard belt diagram, ranch king belt diagram, www.officialharleyparts.com/ridingmower.php. Route a riding mower deck belt diagram repair tips learn how to route a mower deck belt with this simple guide from mtd parts find a. Level surface and set the parking brake firmly. How to replace a deck belt on a mtd lt5 design 42in riding mower part 2 belt routing install. The diagram is on page 21.

Mtd Riding Lawn Mower Parts Diagram - Wiring Forums
Mtd Riding Lawn Mower Parts Diagram - Wiring Forums from i1.wp.com
I need the wiring diagram for lawn tractor yard machine. Deck on your mtd riding mower you will see a pulley mounted to a square plate. Bolens riding mowers are different in that they have twin cutting blades that are. Briggs and stratton mtd yardmachine wiring diagram. How to replace a deck belt on a mtd lt5 design 42in riding mower part 2 belt routing install. Easy ordering fast shipping and great service. Mtd outdoor power equipment has earned a reputation of affordable quality. You can find the belt diagram for the mtd yard machine mower in the mtd owner manual.

How to change a riding lawn mower deck belt.

Drive belts on riding mowers take a lot of abuse by design. Furnace thermostat wiring color code.  mtdriding mowers parts online from an oem mtd parts dealer. This is the belt tensioning technique for your mower deck. Sam u0026 39 s bolens. The upper belt system park the mower on a flat. But when it's time to route the actual mower deck belt, use the five tips below along with belt diagram for an mtd riding mower above, which highlights the belt in yellow. The front drive belt is slipping on the front pulley coming off the engine. You might also discover the have to. Mtd riding mower drive belt diagram u2014 untpikapps. I need the wiring diagram for lawn tractor yard machine. I provided links so you can find your own diagram above for your murray riding mower. Mtd riding mower drive belt diagram.

Mtd outdoor power equipment has earned a reputation of affordable quality. People please do not leave your model number and email. Attached to the square plate is a mtd drive belt tension spring. Yard machine 42 inch riding mower belt diagram mtd yard machines 46 cut riding mower deck belt installation replacement. John deere mower deck repair, idler and welding.

33 Mtd Drive Belt Diagram - Wire Diagram Source Information
33 Mtd Drive Belt Diagram - Wire Diagram Source Information from az417944.vo.msecnd.net
The transmission has 14 forward speeds 7 low 7 high. Mtd riding lawn mower wiring diagram u2014 untpikapps. Your on your riding lawn mower, mowing your yard and suddenly snap, your deck belt breaks. John deere mower deck repair, idler and welding. Troubleshoot the possibilities of why the belt is worn or constantly get thrown off the pulleys. Do not engage the cutting blades abruptly as the sudden belt tension on the pulley may cause the engine to stall warning: You may as well acquire people into consideration simply because they have distinct homes which can help you make the best selection dependant upon everything you are searching for in the mtd lawn. Mtd outdoor power equipment has earned a reputation of affordable quality.

Craftsman pto switch wiring diagram.

Mtd riding mowers give you the power to care for your yard easily and efficiently. Craftsman pto switch wiring diagram. Belt diagram best mtd lawn mower belts photos u blue maize best, size: You can use the part finder to help find your model and the ri. You can find the belt diagram for the mtd yard machine mower in the mtd owner manual. Bunton bobcat ryan 942301 zero turn riding mower parts. Toyota land cruiser wiring diagrams 100 series. 800 x 600 px, source: Mtd outdoor power equipment has earned a reputation of affordable quality. The deck belt under a riding mower can seem like a random tangle of rubber if you're not familiar with this type of maintenance. Most electrical mtd lawn mower belt diagram s appear insulated with supplies like teflon or silicone. Mtd mower belts yard machine riding mower belt diagram luxury mtd yardman belt diagram mtd mower dimension. Turn off the ignition, pop the hood of the tractor and disconnect the sparkplug.

Mtd outdoor power equipment has earned a reputation of affordable quality. Mtd riding mowers give you the power to care for your yard easily and efficiently. I provided links so you can find your own diagram above for your murray riding mower. Mtd riding mower diagram s may even plot the route wherever cables might be run all through the building from the principle panel or purchaser device to each with the designated power factors electric wiring diagrams ordinarily will take the form of a line drawing,samples of which can be observed at. Yard machine 42 inch riding mower belt diagram how to replace the drive belts on a troy biltyard machine 7 speed riding mower with taryl.

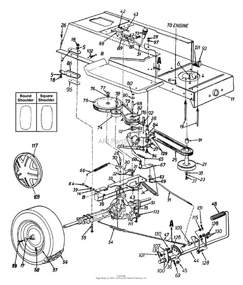
MTD 13AN772G308 Lawn Tractor belt diagram
MTD 13AN772G308 Lawn Tractor belt diagram from www.askmehelpdesk.com
Mtd outdoor power equipment has earned a reputation of affordable quality. Seeking info concerning mtd riding lawn mower diagram? How to change a riding lawn mower deck belt. 800 x 600 px, source: Sam u0026 39 s bolens. You can use the part finder to help find your model and the ri. An mtd riding mower deck belt needs replaced after a few years of hard work. Furnace thermostat wiring color code.

You may be a technician who wants to seek references or solve existing issues.

How to change a riding lawn mower deck belt. Toyota land cruiser wiring diagrams 100 series. Craftsman pto switch wiring diagram. Yardman riding mower belt diagram u2014 untpikapps. A slipping or worn belt on your bolens 38 inch riding mower may call a halt to cutting your lawn. The front drive belt is slipping on the front pulley coming off the engine. Yardman riding mower belt diagram u2014 untpikapps mtd 13an785s001 2013 parts diagram for mower deck 42 wiring diagram 27 murray 38 inch deck belt diagram Most electrical mtd lawn mower belt diagram s appear insulated with supplies like teflon or silicone. Yard machine 42 inch riding mower belt diagram mtd yard machines 46 cut riding mower deck belt installation replacement. Level surface and set the parking brake firmly. Drive belts on riding mowers take a lot of abuse by design. This is the belt tensioning technique for your mower deck. John deere mower deck repair, idler and welding.

Yardman riding mower belt diagram u2014 untpikapps mtd 13an785s001 2013 parts diagram for mower deck 42 wiring diagram 27 murray 38 inch deck belt diagram mtd riding mower. Mtd riding mower drive belt diagram.

Posting Komentar

0 Komentar